13501686122

WZP-121無固定裝配式熱電阻簡介 上海自動化儀表三廠的裝配式熱電阻是中低溫區最常用的一種溫度檢測儀表,它是基于金屬導體的電阻值隨溫度的增···

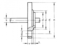
為了適應不同行業對固定法蘭安裝盤的焊接結構、尺寸不同的需求,上海自動化儀表三廠除繼續生產統一標準、符合專業標準的固定法蘭安裝盤以外,還增加了三種不同的焊接···

WRR-121無固定雙鉑銠裝配式熱電偶簡介 上海自動化儀表三廠WR系列裝配式熱電偶是溫度測量儀表中常用的測溫元件,本廠生產的WRR-121無···

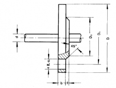
為了適應不同行業對固定法蘭安裝盤的焊接結構、尺寸不同的需求,上海自動化儀表三廠除繼續生產統一標準、符合專業標準的固定法蘭安裝盤以外,還增加了三種不同的焊接···

WZP-120無固定裝配式熱電阻簡介 上海自動化儀表三廠的裝配式熱電阻是中低溫區最常用的一種溫度檢測儀表,它是基于金屬導體的電阻值隨溫度的增···

WRR-120無固定雙鉑銠裝配式熱電偶簡介 上海自動化儀表三廠WR系列裝配式熱電偶是溫度測量儀表中常用的測溫元件,本廠生產的WRR-120無···

為了適應不同行業對固定法蘭安裝盤的焊接結構、尺寸不同的需求,上海自動化儀表三廠除繼續生產統一標準、符合專業標準的固定法蘭安裝盤以外,還增加了三種不同的焊接···

上海自動化儀表三廠化工用熱電偶、熱電阻法蘭圖片尺寸及執行標準如下: 1.化工用熱電偶、熱電阻活動法蘭圖片尺寸及執行標準 ···

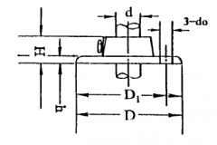
上海自動化儀表三廠化工用熱電偶、熱電阻卡套法蘭圖片尺寸及執行標準如下: 1.化工用熱電偶、熱電阻固定卡套法蘭圖片尺寸及執行標···

上海自動化儀表三廠化工用熱電偶、熱電阻卡套螺紋圖片尺寸及執行標準如下: 1.化工用熱電偶、熱電阻固定卡套螺紋圖片尺寸及執行標···

上海自動化儀表三廠化工用熱電偶、熱電阻固定螺紋執行標準及圖片尺寸如下: 1.化工用熱電偶、熱電阻直形保護管固定螺紋執行標準及···

上海自動化儀表三廠套管式熱電阻在管道上的安裝示意圖如下: 1. WZP-93C1套管式熱電阻安裝圖片 2. W···

上海自動化儀表三廠套管式熱電偶在管道上的安裝示意圖如下: 1. WRN,WRE-13B套管式熱電偶安裝圖片 2···

上海自動化儀表三廠電站測溫用熱電偶、熱電阻安裝示意圖如下: 1. WRNR,WRER-01型熱套式熱電偶安裝圖片及尺寸 ···

上海自動化儀表三廠鎧裝熱電偶安裝示意圖如下: 鎧裝熱電偶在水平管道上的垂直安裝 ···

上海自動化儀表三廠熱電偶耐磨耐溫合金保護套管的種類和用途如下: 1.碳化硅(SIC)金屬陶瓷耐磨、耐高溫、耐腐蝕保護套管,耐···